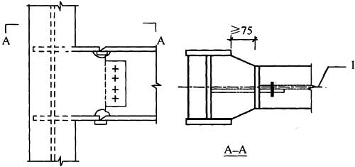
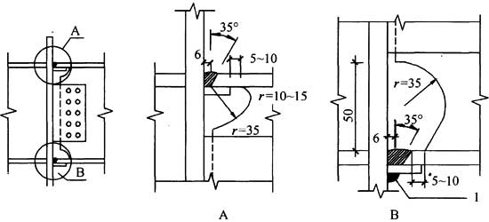
8.3 梁与柱连接的形式和构造要求 8.3.1 框架梁与柱的连接宜采用柱贯通型。在互相垂直的两个方向都与梁刚性连接时,宜采用箱形柱。箱形柱壁板厚度小于16mm时,不宜采用电渣焊焊接隔板。 8.3.2 冷成型箱形柱应在梁对应位置设置隔板,并应采用隔板贯通式连接。柱段与隔板的连接应采用全熔透对接焊缝(图8.3.2)。隔板宜采用Z向钢制作。其外伸部分长度e宜为25mm~30mm,以便将相邻焊缝热影响区隔开。 图8.3.2 框架梁与冷成型箱形柱隔板的连接 1-H形钢梁;2-横隔板;3-箱形柱;4-大圆弧半径≈35mm;5-小圆弧半径≈10mm;6-衬板厚度8mm以上;7-圆弧端点至衬板边缘5mm; 8-隔板外侧衬板边缘采用连续焊缝;9-焊根宽度7mm,坡口角度35° 8.3.3 当梁与柱在现场焊接时,梁与柱连接的过焊孔,可采用常规型(图8.3.3-1)和改进型(图8.3.3-2)两种形式。采用改进型时,梁翼缘与柱的连接焊缝应采用气体保护焊。 梁翼缘与柱翼缘间应采用全熔透坡口焊缝,抗震等级一、二级时,应检验焊缝的V形切口冲击韧性,其夏比冲击韧性在—20℃时不低于27J。 梁腹板(连接板)与柱的连接焊缝,当板厚小于16mm时可采用双面角焊缝,焊缝的有效截面高度应符合受力要求,且不 图8.3.3-1 常规型过焊孔 1-hw≈5长度等于翼缘总宽度 图8.3.3-2 改进型过焊孔 r1=35mm左右;r2=10mm以上; O点位置:tf<22mm:L0(mm)=0 tf≥22mm:L0(mm)=0.75 tf—15,tf为下翼缘板厚 hw≈5长度等于翼缘总宽度 图8.3.3-3 围焊的施焊要求 得小于5mm。当腹板厚度等于或大于16mm时应采用K形坡口焊缝。设防烈度7度(0.15g)及以上时,梁腹板与柱的连接焊缝应采用围焊,围焊在竖向部分的长度l应大于400mm且连续施焊(图8.3.3-3)。 8.3.4 梁与柱的加强型连接或骨式连接包含下列形式,有依据时也可采用其他形式。 1 梁翼缘扩翼式连接(图8.3.4-1),图中尺寸应按下列公式确定: 式中:hb——梁的高度(mm); bf——梁翼缘的宽度(mm); R——梁翼缘扩翼半径(mm)。 图8.3.4-1 梁翼缘扩翼式连接 2 梁翼缘局部加宽式连接(图8.3.4-2),图中尺寸应按下列公式确定: 式中:tf——梁翼缘厚度(mm); ts——局部加宽板厚度(mm)。 图8.3.4-2 梁翼缘局部加宽式连接 3 梁翼缘盖板式连接(图8.3.4-3): 式中:tcp——楔形盖板厚度(mm)。 4 梁翼缘板式连接(图8.3.4-4),图中尺寸应按下列公式确定: 式中:ttp——梁翼缘板厚度(mm)。 5 梁骨式连接(图8.3.4-5),切割面应采用铣刀加工。图中尺寸应按下列公式确定: 图8.3.4-3 梁翼缘盖板式连接 图8.3.4-4 梁翼缘板式连接 图8.3.4-5 梁骨式连接 8.3.5 梁与H形柱(绕弱轴)刚性连接时,加劲肋应伸至柱翼缘以外75mm,并以变宽度形式伸至梁翼缘,与后者用全熔透对接焊缝连接。加劲肋应两面设置(无梁外侧加劲肋厚度不应小于梁翼缘厚度之半)。翼缘加劲肋应大于梁翼缘厚度,以协调翼缘的允许偏差。梁腹板与柱连接板用高强螺栓连接。 图8.3.5 梁与H形柱弱轴刚性连接 1-梁柱轴线 8.3.6 框架梁与柱刚性连接时,应在梁翼缘的对应位置设置水平加劲肋(隔板)。对抗震设计的结构,水平加劲肋(隔板)厚度不得小于梁翼缘厚度加2mm,其钢材强度不得低于梁翼缘的钢材强度,其外侧应与梁翼缘外侧对齐(图8.3.6)。对非抗震设计的结构,水平加劲肋(隔板)应能传递梁翼缘的集中力,厚度应由计算确定;当内力较小时,其厚度不得小于梁翼缘厚度的1/2,并应符合板件宽厚比限值。水平加劲肋宽度应从柱边缘后退10mm。 图8.3.6 柱水平加劲肋与梁翼缘外侧对齐 1-柱;2-水平加劲肋;3-梁;4-强轴方向梁上端;5-强轴方向梁下端 8.3.7 当柱两侧的梁高不等时,每个梁翼缘对应位置均应按本条的要求设置柱的水平加劲肋。加劲肋的间距不应小于150mm,且不应小于水平加劲肋的宽度(图8.3.7a)。当不能满足此要求时,应调整梁的端部高度,可将截面高度较小的梁腹板高度局部加大,腋部翼缘的坡度不得大于1:3(图8.3.7b)。当与柱相连的梁在柱的两个相互垂直的方向高度不等时,应分别设置柱的水平加劲肋(图8.3.7c)。 图8.3.7 柱两侧梁高不等时的水平加劲肋 8.3.8 当节点域厚度不满足本规程第7.3.5条~第7.3.8条要求时,对焊接组合柱宜将腹板在节点域局部加厚(图8.3.8-1),腹板加厚的范围应伸出梁上下翼缘外不小于150mm;对轧制H形钢柱可贴焊补强板加强(图8.3.8-2)。 8.3.9 梁与柱铰接时(图8.3.9),与梁腹板相连的高强度螺栓,除应承受梁端剪力外,尚应承受偏心弯矩的作用,偏心弯矩M应按下式计算。当采用现浇钢筋混凝土楼板将主梁和次梁连成整体时,可不计算偏心弯矩的影响。 图8.3.9 梁与柱的铰接